5V Series Cast Iron Three-Groove Sheaves with Split Taper Bushings for “5V” Belts
5V series three-groove taper bushed sheaves are manufactured for 5V, 5VX, banded 5V, and banded 5VX belts. They range from 4.40″ to 50.0″ in diameter. Depending on the sheave size, they are made to use P1, Q1, R1, S1, or U0 split-taper bushings, which we also stock. Most of our three-groove 5V split taper sheaves are manufactured from a high-strength grade 35 cast iron, are phosphate-coated, and are painted for anti-corrosion. All of them are balanced at the factory for smooth machinery operation.
5V Series Cast Iron Three-Groove Sheaves with Split Taper Bushings for “5V” Belts
5V series three-groove taper bushed sheaves are manufactured for 5V, 5VX, banded 5V, and banded 5VX belts. They range from 4.40″ to 50.0″ in diameter. Depending on the sheave size, they are made to use P1, Q1, R1, S1, or U0 split-taper bushings, which we also stock. Most of our three-groove 5V split taper sheaves are manufactured from a high-strength grade 35 cast iron, are phosphate-coated, and are painted for anti-corrosion. All of them are balanced at the factory for smooth machinery operation.
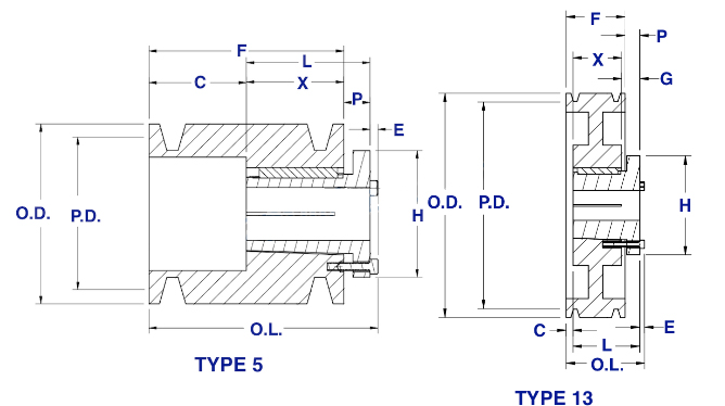
Three-Groove 5V Split Taper Sheave Size Chart
|
Size
|
Bushing Type
|
Pitch Diameter
|
Outside Diameter
|
Type
|
(O.L.)
|
(L)
|
(P)
|
(C)
|
(H)
|
(F)
|
(G)
|
(X)
|
(E)
|
Sheave Weight (LBS)
|
|---|---|---|---|---|---|---|---|---|---|---|---|---|---|---|
| 3P5V44 | P1 | 4.30″ | 4.40″ | 13 | 2 23/32″ | 1 15/16″ | 3/32″ | 17/32″ | 3″ | 2 3/8″ | 5/8″ | 1 5/16″ | 1/4″ | 3.1 |
| 3Q5V46 | Q1 | 4.50″ | 4.60″ | 5 | 4 3/4″ | 2 1/2″ | 3/4″ | 1 25/32″ | 4 1/8″ | 2 3/8″ | – | 1 3/4″ | 9/32″ | 7.6 |
| 3Q5V49 | Q1 | 4.80″ | 4.90″ | 5 | 3 13/32″ | 2 1/2″ | 3/4″ | 5/8″ | 4 1/8″ | 2 3/8″ | – | 1 3/4″ | 9/32″ | 7.3 |
| 3Q5V52 | Q1 | 5.10″ | 5.20″ | 5 | 3 13/32″ | 2 1/2″ | 3/4″ | 5/8″ | 4 1/8″ | 2 3/8″ | – | 1 3/4″ | 9/32″ | 5.8 |
| 3Q5V55 | Q1 | 5.40″ | 5.50″ | 5 | 3 13/32″ | 2 1/2″ | 3/4″ | 5/8″ | 4 1/8″ | 2 3/8″ | 3/4″ | 1 3/4″ | 9/32″ | 7.5 |
| 3Q5V59 | Q1 | 5.80″ | 5.90″ | 13 | 2 31/32″ | 2 1/2″ | 5/16″ | 3/16″ | 4 1/8″ | 2 3/8″ | 3/4″ | 1 3/4″ | 9/32″ | 8.6 |
| 3Q5V63 | Q1 | 6.20″ | 6.30″ | 13 | 2 31/32″ | 2 1/2″ | 5/16″ | 3/16″ | 4 1/8″ | 2 3/8″ | 3/4″ | 1 3/4″ | 9/32″ | 10.3 |
| 3Q5V67 | Q1 | 6.60″ | 6.70″ | 13 | 2 31/32″ | 2 1/2″ | 5/16″ | 3/16″ | 4 1/8″ | 2 3/8″ | 3/4″ | 1 3/4″ | 9/32″ | 12.0 |
| 3Q5V71 | Q1 | 7.00″ | 7.10″ | 13 | 2 31/32″ | 2 1/2″ | 5/16″ | 3/16″ | 4 1/8″ | 2 3/8″ | 3/4″ | 1 3/4″ | 9/32″ | 13.9 |
| 3Q5V75 | Q1 | 7.40″ | 7.50″ | 13 | 2 31/32″ | 2 1/2″ | 5/16″ | 3/16″ | 4 1/8″ | 2 3/8″ | 3/4″ | 1 3/4″ | 9/32″ | 16.0 |
| 3R5V80 | R1 | 7.90″ | 8.00″ | 13 | 3 11/32″ | 2 7/8″ | 11/16″ | 3/16″ | 5 3/8″ | 2 3/8″ | 7/8″ | 2″ | 9/32″ | 17.2 |
| 3R5V85 | R1 | 8.40″ | 8.50″ | 13 | 3 11/32″ | 2 7/8″ | 11/16″ | 3/16″ | 5 3/8″ | 2 3/8″ | 7/8″ | 2″ | 9/32″ | 20.5 |
| 3R5V90 | R1 | 8.90″ | 9.00″ | 13 | 3 11/32″ | 2 7/8″ | 11/16″ | 3/16″ | 5 3/8″ | 2 3/8″ | 7/8″ | 2″ | 9/32″ | 22.2 |
| 3R5V92 | R1 | 9.15″ | 9.25″ | 13 | 3 11/32″ | 2 7/8″ | 11/16″ | 3/16″ | 5 3/8″ | 2 3/8″ | 7/8″ | 2″ | 9/32″ | 24.1 |
3R5V97 |
R1 | 9.65″ | 9.75″ | 13 | 3 11/32″ | 2 7/8″ | 11/16″ | 3/16″ | 5 3/8″ | 2 3/8″ | 7/8″ | 2″ | 9/32″ | 24.8 |
| 3R5V103 | R1 | 10.20″ | 10.30″ | 13 | 3 11/32″ | 2 7/8″ | 11/16″ | 3/16″ | 5 3/8″ | 2 3/8″ | 7/8″ | 2″ | 9/32″ | 26.4 |
| 3R5V109 | R1 | 10.80″ | 10.90″ | 13 | 3 11/32″ | 2 7/8″ | 11/16″ | 3/16″ | 5 3/8″ | 2 3/8″ | 7/8″ | 2″ | 9/32″ | 28.0 |
| 3R5V118 | R1 | 11.70″ | 11.80″ | 13 | 3 11/32″ | 2 7/8″ | 11/16″ | 3/16″ | 5 3/8″ | 2 3/8″ | 7/8″ | 2″ | 9/32″ | 31.9 |
| 3R5V125 | R1 | 12.40″ | 12.50″ | 13 | 3 11/32″ | 2 7/8″ | 11/16″ | 3/16″ | 5 3/8″ | 2 3/8″ | 7/8″ | 2″ | 9/32″ | 35.1 |
| 3R5V132 | R1 | 13.10″ | 13.20″ | 13 | 3 11/32″ | 2 7/8″ | 11/16″ | 3/16″ | 5 3/8″ | 2 3/8″ | 7/8″ | 2″ | 9/32″ | 29.0 |
| 3R5V140 | R1 | 13.90″ | 14.00″ | 13 | 3 11/32″ | 2 7/8″ | 11/16″ | 3/16″ | 5 3/8″ | 2 3/8″ | 7/8″ | 2″ | 9/32″ | 32.3 |
| 3R5V150 | R1 | 14.90″ | 15.00″ | 13 | 3 11/32″ | 2 7/8″ | 11/16″ | 3/16″ | 5 3/8″ | 2 3/8″ | 7/8″ | 2″ | 9/32″ | 35.0 |
| 3R5V160 | R1 | 15.90″ | 16.00″ | 13 | 3 11/32″ | 2 7/8″ | 11/16″ | 3/16″ | 5 3/8″ | 2 3/8″ | 7/8″ | 2″ | 9/32″ | 38.7 |
| 3R5V212 | R1 | 21.10″ | 21.20″ | 13 | 3 11/32″ | 2 7/8″ | 11/16″ | 3/16″ | 5 3/8″ | 2 3/8″ | 7/8″ | 2″ | 9/32″ | 52.0 |
| 3R5V280 | R1 | 27.90″ | 28.00″ | 13 | 3 11/32″ | 2 7/8″ | 11/16″ | 3/16″ | 5 3/8″ | 2 3/8″ | 7/8″ | 2″ | 9/32″ | 80.0 |
| 3S5V375 | S1 | 37.40″ | 37.50″ | 13 | 4 3/4″ | 4 3/8″ | 1 17/32″ | 1 5/32″ | 6 3/8″ | 2 3/8″ | 1 1/16″ | 3 5/16″ | 3/8″ | 147.0 |
| 3U5V500 | U0 | 49.90″ | 50.00″ | 13 | 5 13/32″ | 4 15/16″ | 1 4/8″ | 1 3/16″ | 8 3/8″ | 2 3/8″ | 1 3/16″ | 3 3/4″ | 15/32″ | 216.0 |

Packing Shipping Delivery
![]() ![]() |
![]() |
|
![]() |
![]() |
|
How to choose power transmissions parts and industrial products which meet our requirement
| Chains | Sprockets | Pulleys | Timing belt Pulley | V-belt Pulley |
| Sheaves | Coupings | Bush &Hub | Gear& Rack | V-Belt |
| Locking Assembly | Pulley | Gearbox | Reducer | Shaft Collar |
| Rod End Bearing | Clevis | PTO | Chain Guide | Belt Guide |
| Rubber Buffer | Chain Tensioner | PTO Drive Shafts | Universal Joints | Roller Chains |
| Conveyor Chains | V-Belts | Worm Gearbox | Helical Gear | Worm |
| Agricultural Chain | CNC Proces Parts | Casting | Stamping | |
| Powder Metallurgy | CNC Proces Parts | Casting | Stamping |
What Products Do you sell ?
We are a group of factories, give customer one stop solution of power transmission and industrial products. We are in the position to supply wide range of products, including chains, sprockets, v-belt and v-belt pulleys, timing belt and timing belt pulleys, gears, speed reducers, motors, racks, couplings, and many other parts, like locking assembly, taper bushing, Chain guide, shaft collar, torque limiter, cam clutch, universal joint, motor base and motor slide, rod end, clevis, rubber mount, etc. We make special parts according to drawings and/or samples.
How to choose a gearbox which meets our requirement?
You can refer to our catalogue to choose the gearbox or we can help to choose when you provide
the technical information of required output torque, output speed and motor parameter etc.
What information shall we give before placing a purchase order?
a) Type of the gearbox, ratio, input and output type, input flange, mounting position, and motor informationetc.
b) Housing color.
c) Purchase quantity.
d) Other special requirements.
What industries are your gearboxes being used?
Our gearboxes are widely used in the areas of textile, food processing, beverage, chemical industry,
escalator,automatic storage equipment, metallurgy, tabacco, environmental protection, logistics and etc.
What is the producing process?
Production process including raw material cutting, machine processing, grinding, accessories cleaning, assemble, cleaning, stoving, oil coating, cover pressing, testing, package.
How to control the products quality?
Combining advanced equipment and strict management, we provide high standard and quality bearings for our customers all over the world.
What is the transportation?
-If small quantity , we Suggest to send by express, such as DHL,UPS, TNT FEDEX. If large amount, by air or sea shipping.
Can we design packaging?
-Yes. Default is regular packing, and we can make customer's own packing.
Can you provide OEM service?
-Yes, we work on OEM orders. Which means size, quantity, design, packing solution, etc will depend on your requests; and your logo will be customized on our products.
Can you give me discount on Power Transmissions Parts and Industrial parts?
-Yes, of course. Pls. send me your Email, you'll get more
Q: Are You a trading company or a manufacturer?
A: We Are the factory and have our Own trading company
Q: How Can I get an offer?
A: please send US quotation information: drawings, materials, weight, quantity and requirements, we can accept PDF, ISGS, DWG, STEP file format. If you don't have the drawings, please send us the samples, we can also quote you according to your samples.
Q: What is your minimum order size?
A: it is usually 100 pieces, but a low quantity is acceptable under some special circumstances.
Q: Do you provide samples? Is it free or extra?
A: Yes, we can provide samples free of charge, but we don't pay the freight.
Q: What is the lead time for mass production?
A: honestly, it depends on the number of orders. Normally, if you don't need the tools, deposit them after 30 days or so.
Q: What if the parts don't Work?
A: we can guarantee the quality, but if it happens, please contact us immediately, take some photos, we will check the problem and solve it as soon as possible.
Q: What are your terms of payment?
A: payment is less than US $1000,100% in advance. Payment: $1000,50% wire transfer in advance, balance before shipment,Other Terms of payment are negotiable








Reviews
There are no reviews yet.